TAG關鍵詞:cnc加工,東莞CNC加工,深圳CNC加工,不銹鋼加工,車加工,車床加工廠,鈦合金加工,五金產品,軸加工,
傳統的數控加工方法和加工工藝已經無法滿足多樣化、個性化、異形化加工的需求,制造業正在朝著高效、精密、復合的方向快速發展。
隨著航空航天、液壓、通訊、微特電子、醫療器械等行業的迅速發展,許多高精度、多批量、外形復雜的小型精密復合零件的車銑復合加工給機械制造業提出了很大的挑戰。針對這類零件的特點,國內大部分企業都采用改善設備性能和設計新型加工工藝的方法來滿足加工需求、提高生產效率。本文以某典型復合型噴嘴零件為例,利用B0326-II精密自動車床的特點和優勢,從刀具選擇、加工工藝制定、關鍵加工路線設計以及試加工問題分析等方面著手,進行了深入的加工技術研究,解決了這類零件批量大、效率低、難加工的難題。
1.零件加工工藝分析
零件技術要求
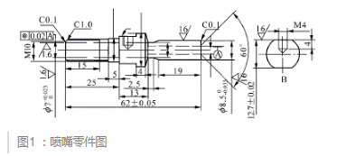
圖1為某醫療器械中的噴嘴零件,月產20000件,材料為不銹鋼1Cr18Ni9Ti,屬于難加工材料;該零件的加工要素較多,包括車削外圓、螺紋;銑削扁平面;鉆削中心孔和底孔;鏜削孔;攻螺紋等。此外,零件尺寸精度和表面粗糙度要求較高,并有兩端孔同軸度要求為0.02mm。
綜合以上分析,該零件的加工難點在于保證外圓和內孔的尺寸精度、兩個內孔的同軸度要求以及批量化生產。

圖1. 噴嘴零件圖
噴嘴零件加工工藝
B0326-II精密自動車床是以車為主,同時兼備鉆孔、雕刻、銑槽、銑齒、攻絲、鉸孔等多工藝復合加工的精密機床,具有C軸和Y軸分度功能,能進行徑向平面銑削、鉆孔、攻絲等工藝。其雙主軸控制系統能實現主軸側加工完背軸自動定位接料,有效解決工件掉頭造成的效率和精度低的問題。
如圖2所示,根據機床特點,設計零件外輪廓加工路線:主軸側①車端面→②車外圓至39mm處→③車外圓至65.1mm處→背軸側車端面。
根據以上分析,對噴嘴零件的加工工藝設計如表1所示。

圖2. 噴嘴外輪廓走刀路線

表1. 噴嘴零件加工工藝設計說明圖
2.關鍵工序加工設計
左側孔加工
左側孔加工時,安排在主軸側T31-T35五孔刀座上進行,五孔刀座布局緊湊,可減少刀具空走刀的時間,加工效率較高。
孔Φ7精度要求較高,采用鏜削加工,孔深38mm屬于深孔加工,其難點在于鉆底孔過程中鉆頭切削區域的冷卻以及排屑問題,采用高壓油冷卻以及G83啄鉆的方式進行,可有效避免鉆頭崩斷和切屑纏繞。
具體步驟:首先用Φ6中心鉆鉆削約2mm的中心孔,深度不能過淺,否則孔口倒角會有毛刺;然后用Φ5.8鉆頭鉆孔,單邊留0.5mm左右加工余量,由于零件材料硬度較大,應在該過程去除大部分余量,并開啟高壓油冷卻;最后通過鏜孔保證孔尺寸精度,采用高轉速低進給模式進行切削,選用S25.0G-SVNR12SN鏜刀桿,刀片型號VNBR0620-01,主軸轉速3000r/min,切削深度ap=0.25mm,進給量f=0.02mm/r。
車外圓至39mm處
此工步為外輪廓加工,重點考慮如何提高加工效率以及保證表面質量。綜合考慮零件的結構特點以及材料性能。走刀路線設計如圖3所示,此工步〖LL〗〖JP2〗分三次加工完成,前兩次采用G90矩形走刀路線去除大部分余量,第三次完成精加工。
執行第一次矩形加工路線時加工至A點,每次切深0.5mm,進給速度0.05mm/r,分三刀完成;執行第二次矩形加工路線時加工至B點,每次切深0.3mm,進給速度0.03mm/r,分四刀完成;最后一次精加工時切削深度為0.1mm,進給速度0.01mm/r。此工步選用京瓷SCLCR1616H-12外圓刀,刀片型號CCGT09T304M,零件表面質量較好。

圖3. 車削外圓至39mm處的走刀路線
左側車螺紋
由于M10螺紋需與其它醫療器械零部件配合,要求控制螺紋中徑,粗糙度值達到Ra0.8。
為滿足要求,分三步進行螺紋車削:第一步外圓刀將大徑多車0.2mm;第二步螺紋車削首次完成后,再次調用外圓刀沿螺紋表面車削,去除頂端毛刺,但此時會將毛刺往牙底方向壓;第三步用螺紋刀沿螺紋車削的最后兩刀再車削一遍,去除第二步壓向牙底方向的毛刺。
銑扁
平面銑削主要利用B0326-II精密自動車床的主軸C軸分度功能,有效解決二次裝夾問題。該工步總的銑削層厚度2.3mm,可選用直徑大的立銑刀以提高加工效率。
根據分析選擇直徑Φ10立銑刀,主軸制動后,分三次銑削,第一次銑削深度0.65mm,第二次銑削深度0.65mm,第三次銑削深度0.35mm,每次銑削進給速度50mm/min,一邊加工完后C軸分度180°銑削另外一邊。平面銑削結束后,平面的外端會有毛刺外翻,此時宜采用外圓刀沿Φ13外圓去毛刺,效果較好。
車外圓至65.1mm處
此處外圓車削的難點在于C區域呈凹槽狀,限制刀具角度,不容易下刀,采用常規外圓刀具車削容易干涉和崩刃,并且凹槽處表面質量較差。
所以此處車削分三次進行,走刀路線見圖4,第一次選擇3mm刀寬的切槽刀切到凹槽的最底處留有0.1mm精加工余量,沿著路線1進刀,為下一步的車削提供下刀空間;第二次選擇常規90°外圓車刀,沿路線2進刀,按照G90矩形路線加工,此次共去除6.4mm余量;第三次選用后掃刀沿路線3進行精加工,由于凹槽處空間較小,90°外圓刀副切削刀刃容易干涉,采用后掃刀可以有效解決該問題,并且能夠保證凹槽底部的粗糙度值。
圖4.車削外圓至65.1mm處的走刀路線
背軸接料鉆孔
如圖5如圖5所示,主軸側所有加工完成后,將切斷刀定位到切斷位置,背軸與主軸對中,背軸T9900沿主軸方向B-B處夾持,主背軸同時旋轉,大大增加了剛性。切斷后背軸接料,利用背軸側T35、T36、T37刀具進行車端面和鉆孔。背軸自動定位到與主軸同心位置夾持,避免了再次裝夾造成的同軸度誤差,保證了孔Φ7和Φ4同軸度要求,解決了該零件同軸度加工難題。
如圖5.噴油嘴背軸接料示意圖
3.試加工問題分析
加工工藝擬定后進行了程序編制,經過反復的仿真驗證后,零件首次試加工出現了Φ7孔底部有毛刺上翻、Φ4孔口無60°倒角、Φ7孔深度偏差等問題。
該零件中Φ7孔尺寸精度和表面質量較高,Φ5鉆頭鉆削到孔底時,由于擠壓造成切屑未能及時排出,導致孔底毛刺上翻,影響零件質量。反復試驗后作如下調整:當鉆頭鉆削到孔底時,鉆頭不直接退出,沿著孔上抬0.1mm,然后延時0.2s(即G04U0.2)再離開孔底,可去除上翻毛刺。
如圖6所示,Φ4孔口倒角由Φ6中心鉆加工而成,孔口無倒角判斷為中心孔鉆得太深,已經超過中心鉆底部60°的錐面,在背軸側T36磨損補償+0.5即可解決該問題。
如圖6. Φ4孔口60°倒角示意圖
首件產品檢測時發現Φ7孔深度為37.8mm,與實際尺寸小0.2mm,分析原因主要是主軸側T23鏜刀對刀時出現了偏差。在主軸側T23鏜刀重新精確對刀,并在T23磨損補償輸入+0.2,經過反復調試,噴嘴零件滿足驗收要求,加工實物見圖7。
圖7. 不銹鋼噴嘴零件實物圖
4.總結
噴嘴零件調試成功后,機床配備自動送料機,將送料、加工、接料、吐料完全自動化,實現了月產20000件的加工需求,解決了現代制造過程中出現的小型化、多品種、大批量、高精度的難題。
通過研究B0326-II精密自動車床小型復合軸零件的加工技術,為新型車銑復合加工工藝的推廣提供技術依據,也為加工同類零件提供了借鑒和參考。
- 上一篇:怎樣解決耐酸不銹鋼進行鉸孔及斷屑問題?
- 下一篇:沒有了